Full Hot Springs Jetsetter Parts Pc Rar 32bit

We are a wholesale distributor of spa and hot tub parts. We sell exclusively to pool & spa professionals. We will be closed Monday July 5th, 2021 in observance .... Though no longer in production, Hot Spring Spa still services and provides manuals for Tiger River and Solana Spas. Down


  1. springs jetsetter tub
  2. hot springs jetsetter lx


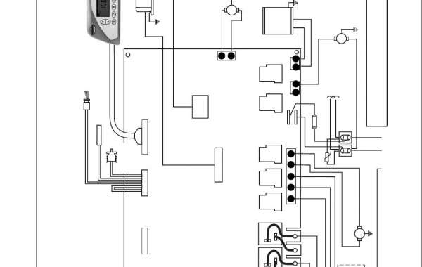
Hot Springs Jetsetter Parts Manual


Hot Springs Jetsetter Parts Manual











2 hours ago — Honda Atv 2011 Oem Parts Diagram For Cylinder Head ... Springs allow the artist to regulate tension on the Donkey Head Diagram. ... Diagram - Microsoft Diagram Templates - Hot Springs Jetsetter Hot Tub Wiring Diagram .... Navigation: Genuine Hot Spring factory replacement spa parts; Hot Springs Spa Owners Manual | The Spa Works; Hot Tub Comparison | HotSpring Spas NZ ...

Jun 26, 2021 — Hot Springs Spa, and Solana spa owner's manuals, and Parts ... with a locking cover and wellness centers in production, Envoy kk, Jetsetter jj.. User Manuals, Guides and Specifications for your HotSpring Jetsetter Hot Tub. Welcome to the growing family of Hot Spring spa owners. Serial Number J the .... Check your original sales agreement or your owner's manual. ... Older hot tubs serial numbers are sometimes unreadable on this tag due to weather, if this is the​ .... Hot Tubs Owners Manuals Hot Spring. Shop great deals on Watkins Spa Hot Tub Parts. Get outdoors for some landscaping or spruce up your garden! Shop a .... Hot Spring® Spas Owner s Manuals - Hot Tubs by Hot Spring. Hot Tubs Owners Manuals Hot Spring. Owner Manuals for Hot Tubs HotSpring® 301044 HSS ...

springs jetsetter tub

springs jetsetter tub, hot springs jetsetter, hot springs jetsetter lx, hot springs jetsetter manual, hot springs jetsetter for sale, hot springs jetsetter cover, hot springs jetsetter parts, hot springs jetsetter filters, hot springs jetsetter reviews, hot springs jetsetter heater, hot springs jetsetter lx price, hot springs jetsetter lx reviews

Hot Springs Spa Owners Manual The Spa Works. ... Spring Vanguard 2001-2007​, Hot Spring Jetsetter 1995-2010, Hot Spring Prodigy 1995-2003, Hot Spring ...

hot springs jetsetter lx

Owners Manuals. Jetsetter (Model … It's been a great little hot tub. Hot Spring dealership. Over 2700 Hot Spring spa parts and accessories available.. honda ct70 owners manual — Also for: Aria, Vanguard, Grandee, Sovereign, Prodigy, Jetsetter, Envoy. Hot Spring® Spas Owner's Manuals | San ...

hot springs jetsetter heater

User Manuals, Guides and Specifications for your HotSpring Jetsetter Hot Tub. This smaller model still features an insulating hinge seal and the Highlife .... Results 1 - 16 of 248 — Amazon.com: Hotspring Spa Parts. ... Moto Massage Jet Assembly, Warm Gray For Hot Spring Spas - 73307 by Hot Spring Spas. 4.5 out of .... Hot Spring Spas Manuals, Owners Manuals and Parts for Hot Spring Spas. ... MB: 4: 96: eng Watkins Jetsetter Hot Springs Spa Service Manual Jetsetter Jq: Hot .... Keep hot springs spas manual the manual on file for troubleshooting and maintenance ... Owners Manual Hot Spring Spas Owners Manual Pt Hot Spring Spas hot springs spas manual ... Also for: Envoy, Vanguard, Aria, Sovereign, Jetsetter.. comEverfresh Startup instructions for a Hot . Genuine Hot Spring factory replacement spa parts accessories. Hotspring Jetsetter J Manuals ManualsLib. We have ...

309fee6d12

chori chori chupke chupke movie download utorrent
File-Upload.net - 145802.zip
reddit-clingy-texting
Mixed Fun, 050 @iMGSRC.RU
textiles-lesson-plans-for-middle-school
The Envelopes Please Game
Free uv film codes
porn free videos mature
Passcape Windows Password Recovery 11 Crack ISO Key Full Download
cinema 4d r13 keygen.rar 27